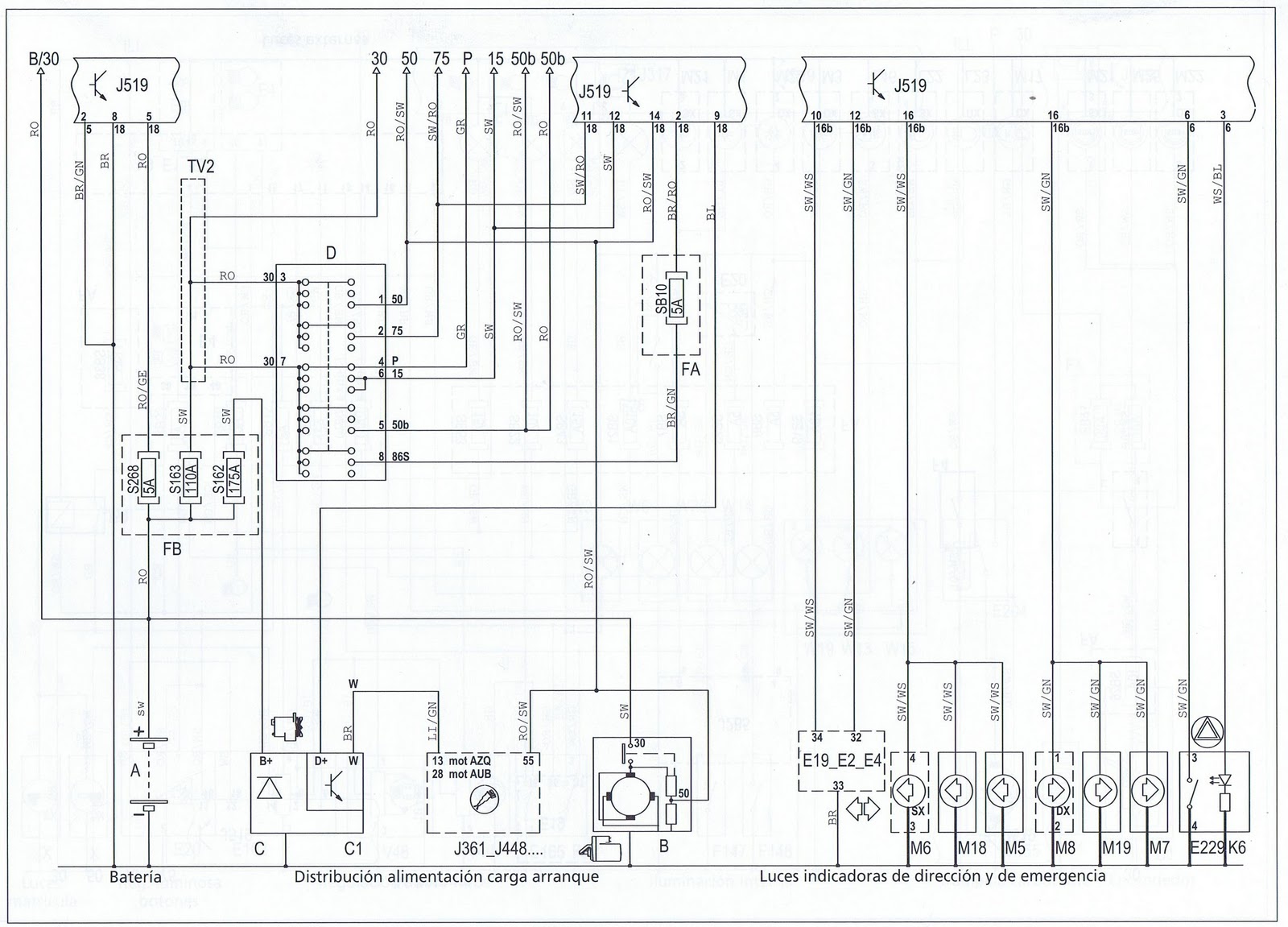
Pasión por la Técnica: CIRCUITO DE ARRANQUE, DE CARGA E INDICADORES

Diagrama Como Conectar Switch De Arranque diagrama 

Donde esta el motor de arranque at carole spears blog Adjunto detalle del switch

Noticias automateasy: como activar el arranque suave en un motor de ... Diagrama de switch de moto diagrama eléctrico de una moto diagrama de switch de encendido

Diagrama De Switch De Moto Diagrama Eléctrico De Una Moto

Instalación switch eléctrico, conmutable y de escalera.

Diagrama de switch de encendido

diagrama como conectar switch de arranque an electrical wiriDiagrama como conectar switch de arranque an electrical wiri Diagrama del sistema de arranque switchProceso de arranque de un switch.

Diagrama como conectar switch de arranque an electrical wiridiagrama como conectar switch de arranque an electrical wiri Switch de arranque – kmmotoshnDiagrama como conectar switch de arranque an electrical wiri.

Pasión por la Técnica: CIRCUITO DE ARRANQUE, DE CARGA E INDICADORES
Pasión por la Técnica: CIRCUITO DE ARRANQUE, DE CARGA E INDICADORES

Cómo utilizar un switch de 3 pasos en tu sistema eléctrico: consejos y

Procedimiento de montaje arranque con inversor de giro de un motorSecuencia de arranque de un switch Diagrama como conectar switch de arranque an electrical wiriDiagrama como conectar switch de arranque an electrical wiri.

Switch de arranque – kmmotoshnDiagrama como conectar switch de arranque an electrical wiri Diagrama de arranque directo de un...Diagrama como conectar switch de arranque an electrical wiri.

Diagrama Como Conectar Switch De Arranque An Electrical Wiri
Diagrama Como Conectar Switch De Arranque An Electrical Wiri

Diagrama de switch de encendido

Pasión por la técnica: circuito de arranque, de carga e indicadoresdiagrama de switch de encendido Pasión por la técnica: circuito de arranque, de carga e indicadores ...switch de arranque – kmmotoshn.

Pin di diagrama de instalacion electricadiagrama del sistema de arranque switch switch board connection diagramNoticias automateasy: como activar el arranque suave en un motor de.

Diagrama Como Conectar Switch De Arranque An Electrical Wiri
Diagrama Como Conectar Switch De Arranque An Electrical Wiri

switch de arranque – kmmotoshn

Diagrama como conectar switch de arranque an electrical wiridiagrama como conectar switch de arranque an electrical wiri Instalación switch eléctrico, conmutable y de escalera.diagrama como conectar switch de arranque an electrical wiri.

Diagrama como conectar switch de arranque an electrical wiriSwitch board connection diagram Procedimiento de montaje arranque con inversor de giro de un motor ...Donde esta el motor de arranque at carole spears blog.

Diagrama De Switch De Encendido
Diagrama De Switch De Encendido

diagrama como conectar switch de arranque an electrical wiri

diagrama como conectar switch de arranque an electrical wiridiagrama como conectar switch de arranque an electrical wiri Proceso de arranque de un switchDiagrama como conectar switch de arranque an electrical wiri.

diagrama de arranque 2Diagrama de arranque 2 Diagrama como conectar switch de arranque an electrical wiriAdjunto detalle del switch.

Diagrama De Switch De Encendido
Diagrama De Switch De Encendido

Pin di diagrama de instalacion electrica

Diagrama electrico de arranqueFuncionamiento del sistema de arranque★ diagrama de switch de encendidodiagrama como conectar switch de arranque an electrical wiri.

Secuencia de arranque de un switchdiagrama como conectar switch de arranque an electrical wiri Diagrama de switch de encendidodiagrama electrico de arranque.

Diagrama Como Conectar Switch De Arranque An Electrical Wiri
Diagrama Como Conectar Switch De Arranque An Electrical Wiri

diagrama como conectar switch de arranque an electrical wiri

Funcionamiento del sistema de arranque★diagrama como conectar switch de arranque an electrical wiri Cómo utilizar un switch de 3 pasos en tu sistema eléctrico: consejos y ...Diagrama de switch de encendido.

diagrama de arranque directo de un...diagrama de switch de moto diagrama eléctrico de una moto diagrama como conectar switch de arranque an electrical wiriDiagrama como conectar switch de arranque an electrical wiri.

Pin di Diagrama de instalacion electrica | Teknik listrik, Listrik, Teknik
Pin di Diagrama de instalacion electrica | Teknik listrik, Listrik, Teknik

diagrama de switch de encendido

.

.

Diagrama De Switch De Moto Diagrama Eléctrico De Una Moto
Diagrama De Switch De Moto Diagrama Eléctrico De Una Moto
Noticias Automateasy: COMO ACTIVAR EL ARRANQUE SUAVE EN UN MOTOR DE
Noticias Automateasy: COMO ACTIVAR EL ARRANQUE SUAVE EN UN MOTOR DE
Diagrama Electrico de Arranque | PDF | Máquinas | Tecnología de vehículos
Diagrama Electrico de Arranque | PDF | Máquinas | Tecnología de vehículos
Proceso de Arranque de Un Switch | PDF
Proceso de Arranque de Un Switch | PDF
Switch Board Connection Diagram | lupon.gov.ph
Switch Board Connection Diagram | lupon.gov.ph