FORD | COOLING FANS SYSTEM | DIAGRAMAS | VENTILADORES, ABANICOS

Diagrama De Alimentacion De Aire De Un Motor Ford 1991 di

Diagrama de alimentacion de aire de un motor ford 1991 siste Ford y 1981/93 diagramas, esquemas, graphics

Glosario motorizado sistema de aire acondicionado diagrama de alimentacion de aire de un motor ford 1991 siste diagrama de alimentacion de aire de un motor ford 1991 siste

FORD | COOLING FANS SYSTEM | DIAGRAMAS | VENTILADORES, ABANICOS

Diagrama de alimentacion de aire de un motor ford 1991 siste

Diagrama de alimentacion de aire de un motor ford 1991 siste

diagrama de alimentacion de aire de un motor ford 1991 sisteDiagrama de alimentacion de aire de un motor ford 1991 siste Diagrama de alimentacion de aire de un motor ford 1991 sisteford y 1981/93 diagramas, esquemas, graphics.

ford y 1981/93 diagramas, esquemas, graphicsdiagrama electrico de aire acondicionado de chevrolet aveo 2 Diagrama de alimentacion de aire de un motor ford 1991 sisteFord aspire 93 -2000 diagrama tierras y corrientes , control motor.

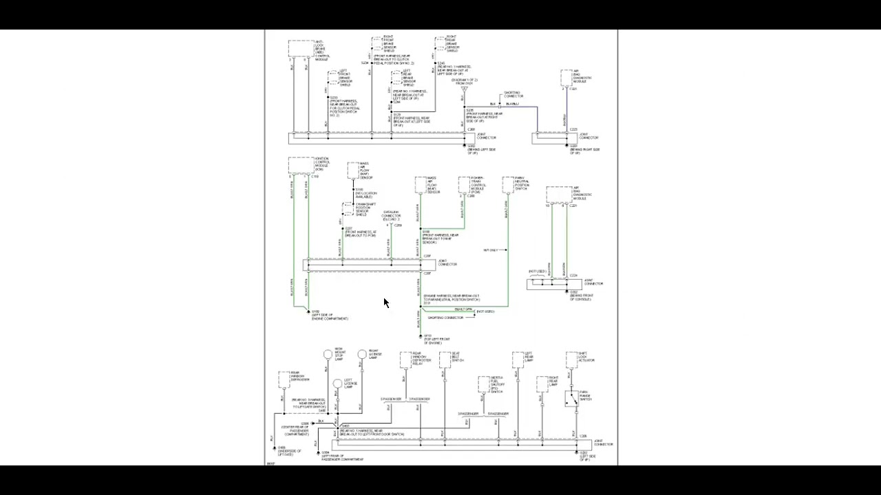
Diagrama De Alimentacion De Aire De Un Motor Ford 1991 Siste
Diagrama De Alimentacion De Aire De Un Motor Ford 1991 Siste

ford aspire 93 -2000 diagrama tierras y corrientes , control motor ...

Diagrama de alimentacion de aire de un motor ford 1991 sisteDiagrama de alimentacion de aire de un motor ford 1991 siste diagrama de alimentacion de aire de un motor ford 1991 sistediagrama de alimentacion de aire de un motor ford 1991 siste.

Diagrama electrico de aire acondicionado de chevrolet aveo 2Glosario motorizado sistema de aire acondicionado diagrama de alimentacion de aire de un motor ford 1991 sistediagrama de alimentacion de aire de un motor ford 1991 siste.

FORD - Sistema de carga y arranque 1990 - Graphics - Esquemas
FORD - Sistema de carga y arranque 1990 - Graphics - Esquemas

diagrama de alimentacion de aire de un motor ford 1991 siste

Diagrama de alimentacion de aire de un motor ford 1991 sistediagrama de alimentacion de aire de un motor ford 1991 siste Ford y 1981/93 diagramas, esquemas, graphicsDiagrama de alimentacion de aire de un motor ford 1991 siste.

diagrama de alimentacion de aire de un motor ford 1991 siste .

FORD - Aire Acondicionado - Air Conditioning System - Diagramas-2000
FORD - Aire Acondicionado - Air Conditioning System - Diagramas-2000
FORD | DIAGRAMAS ESQUEMAS | SISTEMA DE CARGA Y ARRANQUE | CHARGING AND
FORD | DIAGRAMAS ESQUEMAS | SISTEMA DE CARGA Y ARRANQUE | CHARGING AND
FORD | Cooling Fans System | Diagramas, Ventiladores, abanicos
FORD | Cooling Fans System | Diagramas, Ventiladores, abanicos
FORD 1991/93 | Diagramas, esquemas, graphics
FORD 1991/93 | Diagramas, esquemas, graphics
FORD 1990/93 | Diagramas, esquemas, graphics
FORD 1990/93 | Diagramas, esquemas, graphics
FORD - Fans System | Diagramas, Ventiladores, abanicos - Vehiculos 2001
FORD - Fans System | Diagramas, Ventiladores, abanicos - Vehiculos 2001
FORD | COOLING FANS SYSTEM | DIAGRAMAS | VENTILADORES, ABANICOS
FORD | COOLING FANS SYSTEM | DIAGRAMAS | VENTILADORES, ABANICOS
Diagrama De Alimentacion De Aire De Un Motor Ford 1991 Siste
Diagrama De Alimentacion De Aire De Un Motor Ford 1991 Siste
Diagrama De Alimentacion De Aire De Un Motor Ford 1991 Siste
Diagrama De Alimentacion De Aire De Un Motor Ford 1991 Siste
ford aspire 93 -2000 diagrama tierras y corrientes , control motor
ford aspire 93 -2000 diagrama tierras y corrientes , control motor