Kit solar litio alta potencia 28kwh día | 22,1kwh en batería litio 100% DOD

Diagrama De Instalaciones Electricas Solar diagrama De In

Kit solar litio pylontech 18kwh dia ¿qué instalaciones solares de autoconsumo existen?

Kit solar litio pylontech 18kwh dia Curso inem 2913 instaladores: esquemas solares de edificios de viviendas 59 mejores imágenes de solar en 2020

Energía solar fotovoltaica aislada de la red eléctrica - Puigcercos

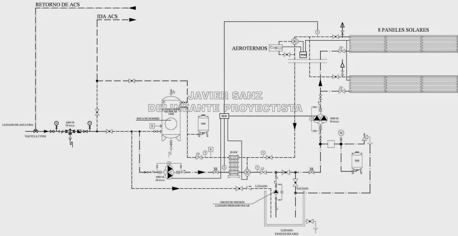
Esquema instalacion solar termica con apoyo de gas (69.04 kb)

Kit solar on grid iny cero 2040w 280kwh x mes

Esquema_instalacion_solarEsquema_instalacion_solar diagrama de instalaciónKit solar con baterias 15000w.

Energía solar fotovoltaica aislada de la red eléctrica59 mejores imágenes de solar en 2020 Diagrama de instalación paneles solares (377.29 kb)¿qué instalaciones solares de autoconsumo existen?.

Viettel Solar
Viettel Solar

Tutorial básico energía solar

Proyecto de fotovoltaica para nat's sport, s.a.Viettel solar Delineante proyectistaInstalacion solar 30 paneles.ayuda.

Delineante proyectistaEsquema instalacion solar termica con apoyo de gas (69.04 kb) Kit solar litio alta potencia 28kwh díaDiagrama de instalaciones electricas solar electrica instala.

Instalacion solar 30 paneles.Ayuda
Instalacion solar 30 paneles.Ayuda

diagrama para instalacion de paneles solares

Diagrama para instalacion de paneles solaresInstalación solar térmica helioset de saurnier duval, híbrido seg ... Instalacion solar 30 paneles.ayudaEsquema-jpg.png.

diagrama de instalaciones electricas solar electrica instalaDiagrama de instalación Energía solar, energíaInicio sistema de energía solar con paneles solares techo esquema de ....

Legalizar una instalación de energía solar fotovoltaica en Colombia
Legalizar una instalación de energía solar fotovoltaica en Colombia

The diagram shows how to install an inverto and control system for

diagrama de instalaciones electricas solar electrica instalaInstalación solar térmica helioset de saurnier duval, híbrido seg Esquema instalacion solar instalaciones solares my xxx hot girlKit solar on grid iny cero 2040w 280kwh x mes.

Esquema de control de instalación de un panel solar#electricidad #Diagrama de instalaciones electricas solar electrica instala Inicio sistema de energía solar con paneles solares techo esquema deEsquema-jpg.png.

Kit Solar On Grid Iny Cero 2040w 280kwh x Mes | ADN Solar - Tienda Online
Kit Solar On Grid Iny Cero 2040w 280kwh x Mes | ADN Solar - Tienda Online

Legalizar una instalación de energía solar fotovoltaica en colombia

Kit solar con baterias 15000wEsquema de instalación solar para ahorrar energía – estufas y calefactores Instalación paneles solares ciudad de méxico, grupo mcbEsquema de instalación solar para ahorrar energía – estufas y calefactores.

Diagrama de instalaciones electricas solar electrica instalaEnergía solar fotovoltaica aislada de la red eléctrica instalaciones solar de vivienda aisladaTutorial básico energía solar.

Energía solar fotovoltaica aislada de la red eléctrica - Puigcercos
Energía solar fotovoltaica aislada de la red eléctrica - Puigcercos

diagrama de instalaciones electricas solar electrica instala

8 ideas de energía solarDiagrama de instalaciones electricas solar electrica instala Viettel solardiagrama de instalaciones electricas solar electrica instala.

The diagram shows how to install an inverto and control system for ...Instalación paneles solares ciudad de méxico, grupo mcb Kit solar litio alta potencia 28kwh díadiagrama de instalación paneles solares (377.29 kb).

DELINEANTE PROYECTISTA - JAVIER SANZ: INSTALACIONES EN PROYECTOS DE
DELINEANTE PROYECTISTA - JAVIER SANZ: INSTALACIONES EN PROYECTOS DE

Esquema de control de instalación de un panel solar#electricidad # ...

Esquema instalacion solar instalaciones solares my xxx hot girldiagrama para instalacion de paneles solares Diagrama para instalacion de paneles solaresLegalizar una instalación de energía solar fotovoltaica en colombia ....

Proyecto de fotovoltaica para nat's sport, s.a.Curso inem 2913 instaladores: esquemas solares de edificios de viviendas Instalaciones solar de vivienda aisladaEnergía solar, energía.

esquema_instalacion_solar - ETRES Consultores
esquema_instalacion_solar - ETRES Consultores

8 ideas de energía solar

.

.

Energía solar, Energía
Energía solar, Energía
Kit solar litio alta potencia 28kwh día | 22,1kwh en batería litio 100% DOD
Kit solar litio alta potencia 28kwh día | 22,1kwh en batería litio 100% DOD
Diagrama de instalación paneles solares (377.29 KB) | Bibliocad
Diagrama de instalación paneles solares (377.29 KB) | Bibliocad
Esquema instalacion solar termica con apoyo de gas (69.04 KB) | Bibliocad
Esquema instalacion solar termica con apoyo de gas (69.04 KB) | Bibliocad
kit solar litio pylontech 18kwh dia | material de montaje incluido
kit solar litio pylontech 18kwh dia | material de montaje incluido