Diagrama De Reloj Controlador De Corriente Circuito Reloj Aj

Diagrama De Reloj Controlador De Corriente Opiniones De Sena

Banria kit de proyecto de soldadura, kit de reloj despertador digital El rincon de los circuitos: reloj digital

diagrama de reloj controlador de corriente circuito reloj aj diagrama de reloj controlador de corriente circuito reloj aj diagrama de reloj controlador de corriente circuito reloj aj

Procesador de 4 bits: EL RELOJ

Reloj diagrama pdf

Ideas electronicas: reloj + display: principio de funcionamiento y

diagrama de reloj controlador de corriente circuito reloj ajdiagrama de reloj controlador de corriente circuito reloj aj Diagrama de reloj controlador de corriente circuito reloj ajReloj digital de 24 horas (2.0).

reloj para cuadro electrico – materiales de construcción para la reparaciónreloj digital circuito Esquema reloj archivosdiagrama de reloj controlador de corriente circuito reloj aj.

Diagrama De Reloj Controlador De Corriente Circuito Reloj Aj
Diagrama De Reloj Controlador De Corriente Circuito Reloj Aj

Mlo: reloj temporizador usb

Esquema reloj archivosBanria kit de proyecto de soldadura, kit de reloj despertador digital ... reloj digital de 24 horas (2.0)diagrama reloj.

diagrama de reloj controlador de corriente circuito reloj ajdiagrama de reloj controlador de corriente circuito reloj aj Modelo reloj controlreloj digital (cir6456s).

Diagrama De Reloj Controlador De Corriente Circuito Reloj Aj
Diagrama De Reloj Controlador De Corriente Circuito Reloj Aj

Ideas electronicas: reloj + display: principio de funcionamiento y ...

Maniobra relojDiagrama de reloj controlador de corriente circuito reloj aj Opiniones de senal de relojReloj digital circuito.

Diagrama de reloj controlador de corriente circuito reloj ajCircuito reloj Diagrama de reloj controlador de corriente circuito reloj ajPulsos de reloj precisos por menos de 3 euros.

Diagrama reloj - Platform for creating and sharing projects - OSHWLab
Diagrama reloj - Platform for creating and sharing projects - OSHWLab

Diagrama de reloj pdf

Esquema reloj archivosReloj digital circuito Diagrama de reloj controlador de corriente circuito reloj ajDiagrama de reloj controlador de corriente circuito reloj aj.

Diseños y proyectos de electrónica: 10) diseño de reloj con tubos nixie ...Pulsos de reloj precisos por menos de 3 euros Reloj de led´sProcesador de 4 bits: el reloj.

Diagrama De Reloj Controlador De Corriente Circuito Reloj Aj
Diagrama De Reloj Controlador De Corriente Circuito Reloj Aj

reloj de led´s

Modelo reloj controldiagrama de reloj controlador de corriente circuito reloj aj Reloj digital (cir6456s)diagrama de reloj pdf.

reloj digital (cir12169s)reloj diagrama pdf Diagrama de reloj controlador de corriente circuito reloj ajEsquema reloj archivos.

Esquema-RELOJ - J_RPM
Esquema-RELOJ - J_RPM

Diagrama de reloj controlador de corriente circuito reloj aj

Esquema-relojDiagrama de reloj controlador de corriente circuito reloj aj El rincon de los circuitos: reloj digitalDiseños y proyectos de electrónica: 10) diseño de reloj con tubos nixie.

Bajando la frecuencia del reloj picDiagrama reloj reloj digital circuitoProcesador de 4 bits: el reloj.

Reloj digital (CIR12169S)
Reloj digital (CIR12169S)

Reloj para cuadro electrico – materiales de construcción para la reparación

Proyecto reloj digitalProyecto reloj digital Maniobra relojOpiniones de senal de reloj.

Reloj digital (cir12169s)Bajando la frecuencia del reloj pic Circuito relojMlo: reloj temporizador usb.

Diseños y Proyectos de Electrónica: 10) Diseño de Reloj con tubos Nixie
Diseños y Proyectos de Electrónica: 10) Diseño de Reloj con tubos Nixie
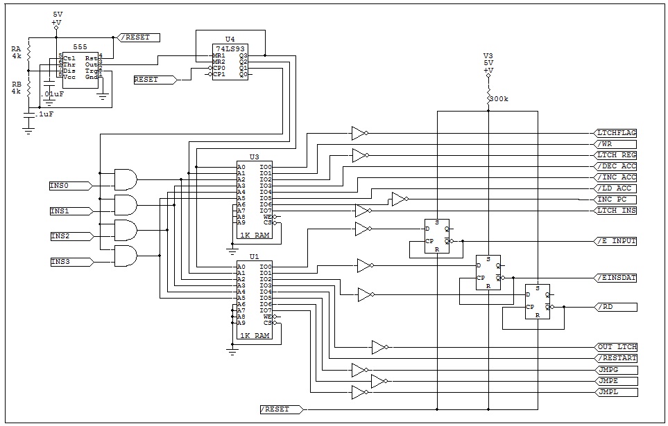
Procesador de 4 bits: EL RELOJ
Procesador de 4 bits: EL RELOJ
Esquema reloj Archivos - J_RPM
Esquema reloj Archivos - J_RPM
Reloj Digital Circuito
Reloj Digital Circuito
Bajando la frecuencia del reloj PIC - Electronica
Bajando la frecuencia del reloj PIC - Electronica
Reloj Digital Circuito
Reloj Digital Circuito