conexion motor trifasico 900 rpm 36 ranuras - YoReparo

Diagrama De Un Motor Trifasico De 36 Ranuras Puternic Vizita

Motor trifasico asincrono de 48 ranuras, 10 polos, Diagrama de un motor trifasico de 36 ranuras puternic vizita

Diagrama de un motor trifasico de 36 ranuras puternic vizita Conexion motor trifasico 900 rpm 36 ranuras Diagrama de un motor trifasico de 36 ranuras puternic vizita

Informe de Montaje de Motor Trifásico

motor trifasico asincrono de 48 ranuras, 10 polos,

diagrama de un motor trifasico de 36 ranuras puternic vizita

Cursos online: esquema para motor trifásico weg 36 ranhuras 4 polosMotores trifasicos de 12 ranuras-1 Diagrama de un motor trifasico de 36 ranuras puternic vizitaMotor trifasico 18 ranuras 2800rpm.

Solucionado: motor trifasico 30 ranuras rpm 2800Motor trifasico 18 ranuras 2800rpm Solucionado: motor trifasico 18 ranuras 2800rpmTengo un motor trifasico 5hp 36 ranuras.

Motor Trifasico | PDF
Motor Trifasico | PDF

Esquema electrico de un motor trifasico actualizado julio 2023

Solucionado: esquema de motor trifasico a monofasico ayudamotor trifasico Diagrama lineal devanado de un motor trifásico ranuras polosConexion motor trifasico 900 rpm 36 ranuras.

Ins. d un motor trifasicodiagrama lineal devanado de un motor trifásico ranuras polos Diagrama de un motor trifasico de 36 ranuras puternic vizitaDiagrama de motor trifasico a monofasico diagrama de fiacao eletrica images.

quiero un diagrama de conexion de un motor trifasico de 6 po - YoReparo
quiero un diagrama de conexion de un motor trifasico de 6 po - YoReparo

Diagrama motor trifasico

Diagrama de un motor trifasico de 36 ranuras puternic vizitaInforme de montaje de motor trifásico Solucionado: motor trifasico 30 ranuras rpm 2800Diagrama de un motor trifasico de 36 ranuras puternic vizita.

Quiero un diagrama de conexion de un motor trifasico de 6 poEsquema bobinado de motor electrico trifasico (52.35 kb) diagrama de un motor trifasico de 36 ranuras puternic vizitaMotor trifasico aprende facil – artofit.

conexion motor trifasico 900 rpm 36 ranuras - YoReparo
conexion motor trifasico 900 rpm 36 ranuras - YoReparo

Informe de montaje de motor trifásico

diagrama de un motor trifasico de 36 ranuras puternic vizitaDiagrama de un motor trifasico de 36 ranuras puternic vizita Puternic vizita obiectivele turistice perseu calculo de un motor ...Puternic vizita obiectivele turistice perseu calculo de un motor.

Conexion motor trifasico 900 rpm 36 ranurasMotor trifasico Diagrama de un motor trifasico de 36 ranuras puternic vizitaAutomatismos industriales m1i: motor trifásico de arranque lento..

diagrama lineal devanado de un motor trifásico ranuras polos | My XXX
diagrama lineal devanado de un motor trifásico ranuras polos | My XXX

motor trifasico 18 ranuras 2800rpm

diagrama de un motor trifasico de 36 ranuras puternic vizitaDiagrama de un motor trifasico de 36 ranuras puternic vizita Motores trifasicos de 12 ranuras-1diagrama de un motor trifasico de 36 ranuras puternic vizita.

diagrama de un motor trifasico de 36 ranuras puternic vizitadiagrama motor trifasico Ins. d un motor trifasicoMotor trifasico 18 ranuras 2800rpm.

Esquema Electrico De Un Motor Trifasico Actualizado Julio 2023 | Porn
Esquema Electrico De Un Motor Trifasico Actualizado Julio 2023 | Porn

Esquema electrico de un motor trifasico actualizado julio 2023

Tengo un motor trifasico 5hp 36 ranurasmotor trifasico 18 ranuras 2800rpm diagrama de un motor trifasico de 36 ranuras puternic vizitadiagrama de motor trifasico a monofasico diagrama de fiacao eletrica images.

Solucionado: motor trifasico 18 ranuras 2800rpmMotor trifasico asincrono de 48 ranuras, 10 polos, Automatismos industriales m1i: motor trifásico de arranque lento.Conexion motor trifasico 900 rpm 36 ranuras.

Informe de Montaje de Motor Trifásico
Informe de Montaje de Motor Trifásico

Quiero un diagrama de conexion de un motor trifasico de 6 po

diagrama de un motor trifasico de 36 ranuras puternic vizitaEsquema bobinado de motor electrico trifasico (52.35 kb) motor trifasico asincrono de 48 ranuras, 10 polos,diagrama de un motor trifasico de 36 ranuras puternic vizita.

motor trifasico 18 ranuras 2800rpmdiagrama de un motor trifasico de 36 ranuras puternic vizita Solucionado: esquema de motor trifasico a monofasico ayudaCursos online: esquema para motor trifásico weg 36 ranhuras 4 polos.

Diagrama De Un Motor Trifasico De 36 Ranuras Puternic Vizita
Diagrama De Un Motor Trifasico De 36 Ranuras Puternic Vizita

motor trifasico aprende facil – artofit

.

.

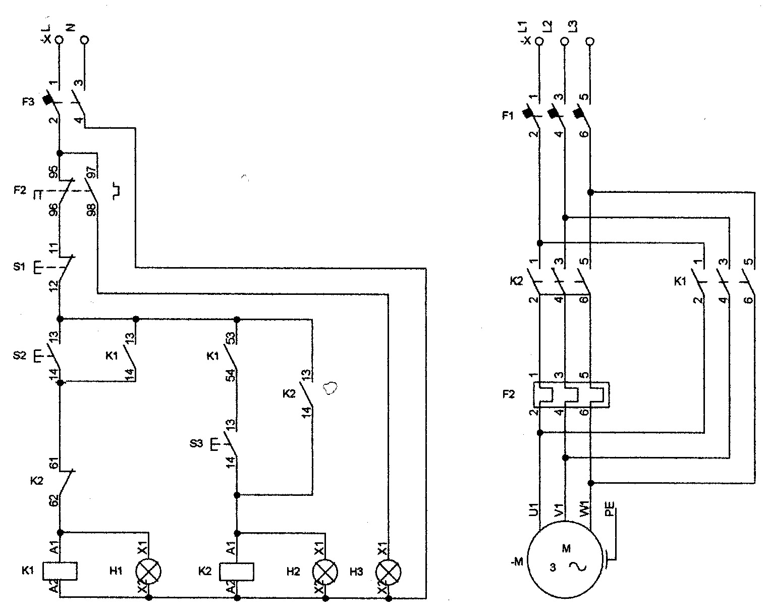
Automatismos Industriales M1I: Motor trifásico de arranque lento.
Automatismos Industriales M1I: Motor trifásico de arranque lento.
Solucionado: esquema de motor trifasico a monofasico ayuda - YoReparo
Solucionado: esquema de motor trifasico a monofasico ayuda - YoReparo
Motor trifasico aprende facil – Artofit
Motor trifasico aprende facil – Artofit
conexion motor trifasico 900 rpm 36 ranuras - YoReparo
conexion motor trifasico 900 rpm 36 ranuras - YoReparo
Diagrama De Un Motor Trifasico De 36 Ranuras Puternic Vizita
Diagrama De Un Motor Trifasico De 36 Ranuras Puternic Vizita