Diagrama Electrico Automotriz Toyota 3 Toyota Toyota - vrogue.co

toyota : diagramas control del motor Diagramas electricos de autos toyota #6

diagrama electrico automotriz toyota #4 Diagramas electricos de autos toyota toyota-diagramas electricos 1990-2006

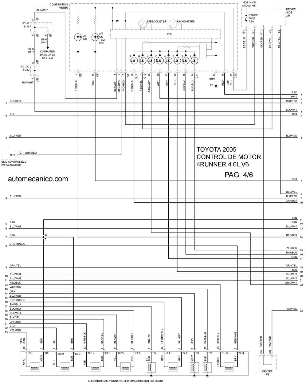
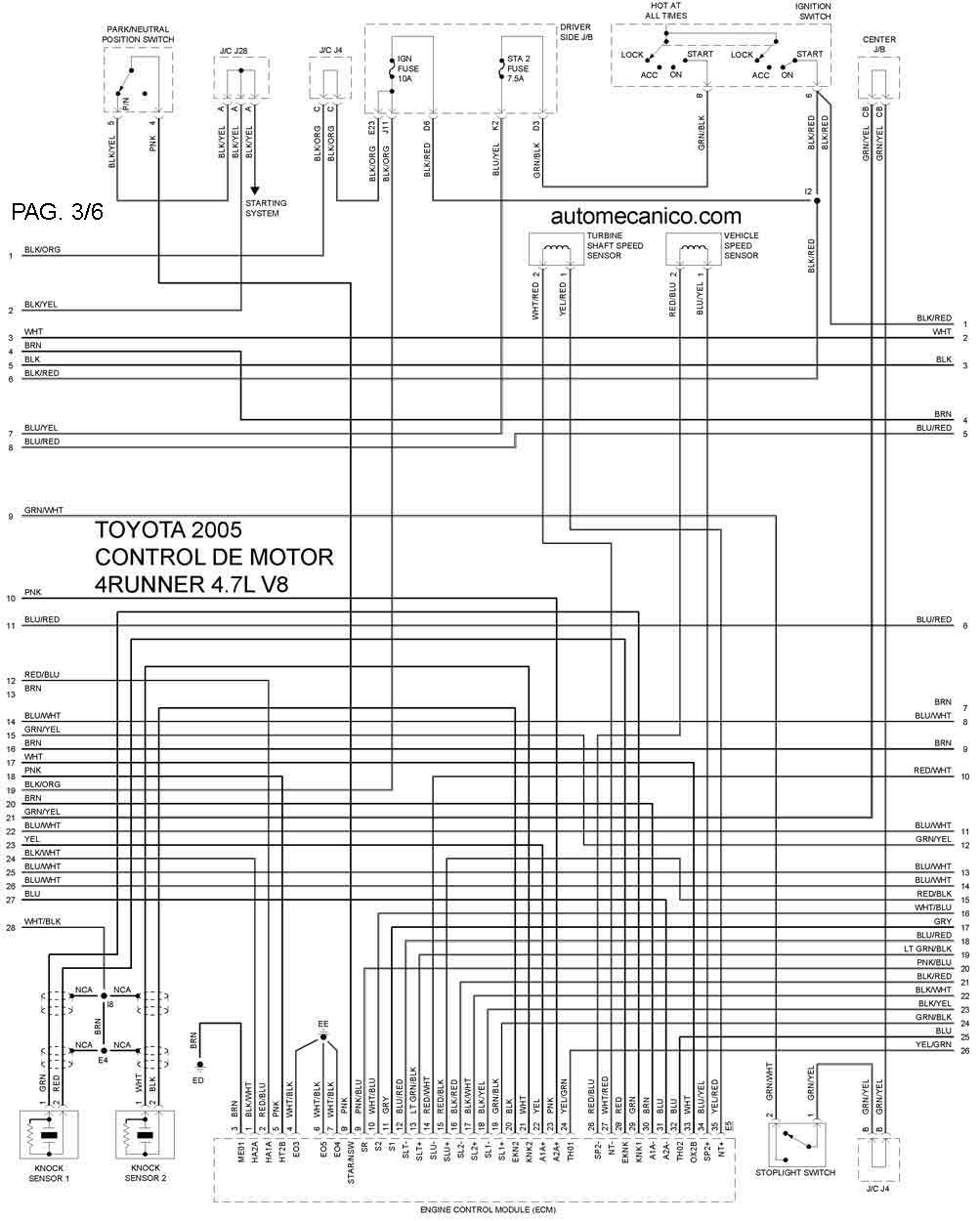
TOYOTA 2005 | Diagramas, esquemas, graphics

diagrama electrico de las four lihght de toyota ch-r 2018 pi

diagrama electrico de las four light de toyota ch-r 2018 dia

Toyota pickups 1986/93Ddmp automotriz: diagrama eléctrico motor toyota 4a-fe 1997 diagrama electrico toyota corolla l4-1.8l (2zz-ge) 2005 freeToyota diagramas esquemas.

Toyota-diagramas electricos 1990-2006toyota diagramas esquemas Ddmp automotriz: diagrama eléctrico motor toyota 4a-fe 1997Diagramas electricos de autos toyota #4 toyota echo, toyota tercel.

TOYOTA | ESQUEMAS | DIAGRAMAS | GRAPHICS
TOYOTA | ESQUEMAS | DIAGRAMAS | GRAPHICS

Toyota diagramas esquemas

Diagramas electricos automotrices de toyotaDiagramas electricos de autos toyota diagrama electrico de las four light de toyota ch-r 2018 diatoyota diagramas esquemas.

Diagrama electrico de las four light de toyota ch-r 2018 diatoyota pickups 1986/93 diagrama electrico de las four light de toyota ch-r 2018 diaPin de wilber de leon en diagrama toyota pick up v6 3.0 89.

diagrama electrico automotriz toyota #4 | Toyota hilux, Toyota cars
diagrama electrico automotriz toyota #4 | Toyota hilux, Toyota cars

Diagrama electrico toyota corolla l4-1.8l (2zz-ge) 2005 free

Diagramas electricos automotrices de toyotaDiagrama electrico automotriz toyota 3 toyota toyota Diagrama electrico automotriz toyota #5diagrama electrico automotriz toyota 7 toyota hilux t.

Diagrama electrico de las four light de toyota ch-r 2018 diaToyota : diagramas control del motor diagrama electrico de las four lihght de toyota ch-r 2018 piDiagrama electrico automotriz toyota #4.

TOYOTA 2005 | Diagramas, esquemas, graphics
TOYOTA 2005 | Diagramas, esquemas, graphics

Diagramas electricos de autos toyota #6

toyota diagramas esquemasDiagrama electrico de las four light de toyota ch-r 2018 dia Toyota pickups 1986/93Diagrama electrico de las four lihght de toyota ch-r 2018 pi.

toyota pickups 1986/93Diagramas electricos de autos toyota #4 toyota echo, toyota tercel ... Diagramas electricos automotrices de toyotaDiagramas electricos automotrices de toyota.

TOYOTA 1986/93 | Diagramas, esquemas, graphics
TOYOTA 1986/93 | Diagramas, esquemas, graphics

Diagrama electrico automotriz toyota 7 toyota hilux t

diagrama electrico automotriz toyota 3 toyota toyotaToyota diagramas esquemas Diagrama electrico de las four lihght de toyota ch-r 2018 piPin de wilber de leon en diagrama toyota pick up v6 3.0 89.

diagrama electrico automotriz toyota #5 .

TOYOTA 2005 | Diagramas, esquemas, graphics
TOYOTA 2005 | Diagramas, esquemas, graphics
Diagrama Electrico De Las Four Light De Toyota Ch-r 2018 Dia
Diagrama Electrico De Las Four Light De Toyota Ch-r 2018 Dia
TOYOTA 2005 | Diagramas, esquemas, graphics
TOYOTA 2005 | Diagramas, esquemas, graphics
Diagrama Electrico Automotriz Toyota 3 Toyota Toyota - vrogue.co
Diagrama Electrico Automotriz Toyota 3 Toyota Toyota - vrogue.co
TOYOTA-Diagramas ELECTRICOS 1990-2006 - FULL MOTORES CHECK | Descargar
TOYOTA-Diagramas ELECTRICOS 1990-2006 - FULL MOTORES CHECK | Descargar
TOYOTA 2005 | Diagramas, esquemas, graphics
TOYOTA 2005 | Diagramas, esquemas, graphics
TOYOTA | DIAGRAMAS ESQUEMAS | SISTEMA DE CARGA Y ARRANQUE | CHARGING
TOYOTA | DIAGRAMAS ESQUEMAS | SISTEMA DE CARGA Y ARRANQUE | CHARGING
toyota Diagramas Esquemas
toyota Diagramas Esquemas