Car mechanic ag: Diagrama Electrico De Ford Super Duty

Diagrama Electrico Del A C Ford 6.0 005 Exploring The Wiring

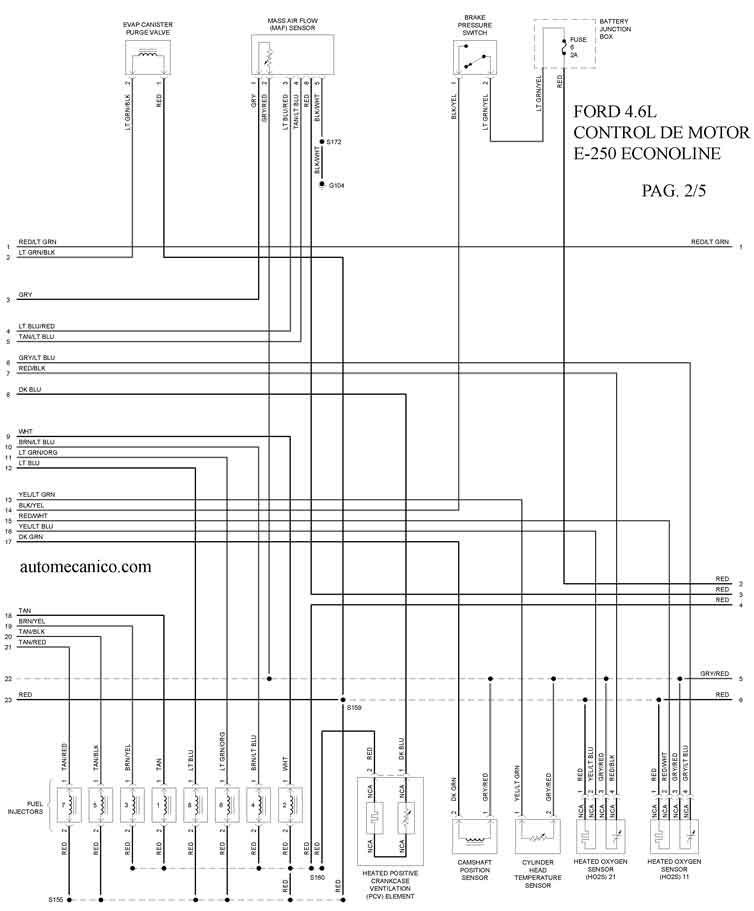
ford 5.0l y 5.8l 1981/93 Ford 6 0 pcm wiring diagram

ford 5.0l y 5.8l 1981/93 Diagrama electrico ford v6/3.5 l(4v)/edge & mkx diagrama de modulo de encendido ford #6 electrical transformers, ford ...

FORD : Diagramas control del motor - Graphics - Esquemas | Vehiculos

Ford 5.0l y 5.8l 1981/93

Manual taller diagrama caja automatica ford c6 f150 f350

Exploring the wiring diagram of 2005 ford 6.0 pcmDiagrama electrico del a c ford 6.0 005 acondicionado cilind Diagrama de modulo de encendido ford #6 electrical transformers, fordManual de reparacion y fallas caja ford c6.

diagrama electrico ford v6/3.5 l(4v)/edge & mkxFord : diagramas control del motor ford 5.0l y 5.8l 1981/93diagrama electrico del a c ford 6.0 005 acondicionado cilind.

FORD 2005 | Diagramas, esquemas, graphics
FORD 2005 | Diagramas, esquemas, graphics

Ford 5.0l y 5.8l 1981/93

Car mechanic ag: diagrama electrico de ford super dutyCar mechanic ag: diagrama electrico de ford super duty diagrama electrico del a c ford 6.0 005 acondicionado cilindExploring the wiring diagram of 2005 ford 6.0 pcm.

Ford 5.0l y 5.8l 1981/93Exploring the internal components of a ford 2005 6.0 engine: a detailed Q&a: best ford diesel scan tool for 6.0 powerstrokeford 5.0l y 5.8l 1981/93.

Diagrama Electrico Ford Motores 4.6 L/5.4 L | MercadoLibre
Diagrama Electrico Ford Motores 4.6 L/5.4 L | MercadoLibre

Manual de reparacion y fallas caja ford c6

Ford 5.0l y 5.8l 1981/93Exploring the internal components of a ford 2005 6.0 engine: a detailed ... ford : diagramas control del motorDiagrama electrico del a c ford 6.0 005 acondicionado cilind.

ford 6 0 pcm wiring diagramDiagramas eléctricos ford e 350 v8-5.4l vin l 2006 ford-c-6|transmisiones automaticas|componentes,despiece,imagenes ...ford 5.0l y 5.8l 1981/93.

Diagramas Eléctricos FORD E 350 V8-5.4L VIN L 2006 - Diagramas Electricos
Diagramas Eléctricos FORD E 350 V8-5.4L VIN L 2006 - Diagramas Electricos

Q&a: best ford diesel scan tool for 6.0 powerstroke

Ford-c-6|transmisiones automaticas|componentes,despiece,imagenesdiagrama electrico ford motores 4.6 l/5.4 l Diagrama electrico ford motores 4.6 l/5.4 lFord 5.0l y 5.8l 1981/93.

Diagramas eléctricos ford e 350 v8-5.4l vin l 2006Manual taller diagrama caja automatica ford c6 f150 f350 diagrama electrico ford f-350 5.4l 2006Diagrama electrico ford f-350 5.4l 2006.

FORD 2005 | Diagramas, esquemas, graphics
FORD 2005 | Diagramas, esquemas, graphics
Diagrama Electrico Ford F-350 5.4l 2006 | MercadoLibre
Diagrama Electrico Ford F-350 5.4l 2006 | MercadoLibre
FORD 2005 | Diagramas, esquemas, graphics
FORD 2005 | Diagramas, esquemas, graphics
FORD 5.0L y 5.8L 1981/93 | Diagramas, esquemas, graphics
FORD 5.0L y 5.8L 1981/93 | Diagramas, esquemas, graphics
FORD-C-6|TRANSMISIONES AUTOMATICAS|COMPONENTES,DESPIECE,IMAGENES
FORD-C-6|TRANSMISIONES AUTOMATICAS|COMPONENTES,DESPIECE,IMAGENES
FORD 2005 | Diagramas, esquemas, graphics
FORD 2005 | Diagramas, esquemas, graphics
FORD 5.0L y 5.8L 1981/93 | Diagramas, esquemas, graphics
FORD 5.0L y 5.8L 1981/93 | Diagramas, esquemas, graphics
FORD : Diagramas control del motor - Graphics - Esquemas | Vehiculos
FORD : Diagramas control del motor - Graphics - Esquemas | Vehiculos
Car mechanic ag: Diagrama Electrico De Ford Super Duty
Car mechanic ag: Diagrama Electrico De Ford Super Duty