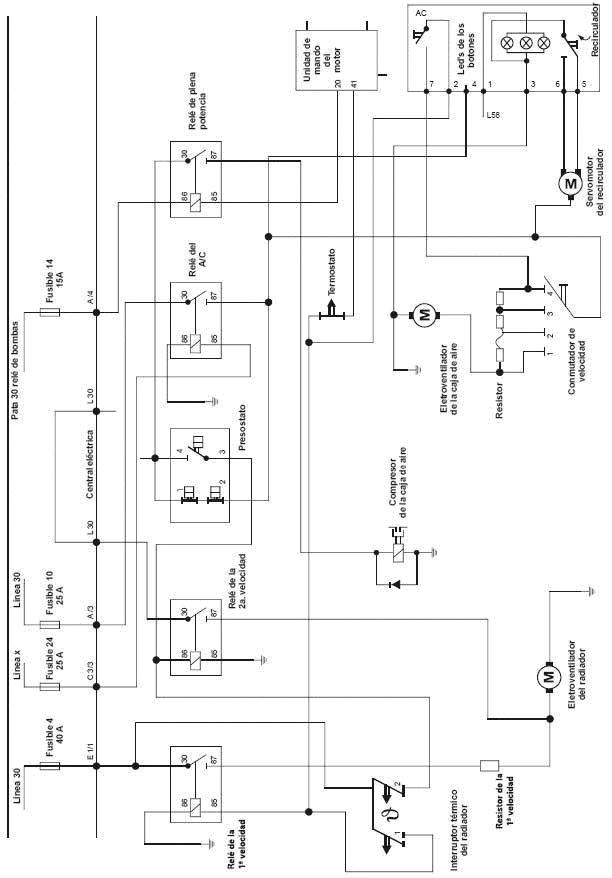
Para que sirven cada relevados del pointer y donde va cada uno | VALVULITA

Data-tech 1994-96 volkswagen pointer 2.0l-diagrama de motor Diagrama eléctrico del volkswagen pointer 2001: ¡descubre todos sus

Diagrama electrico vw pointer 96 pointer sistema vw ecm dist Sistema eléctrico del volkswagen pointer Catálogo de partes pointer 2006 vw

Control Electrico Vw Pointer 2000-2005 D/elevador Delantera | Envío gratis

Sistema eléctrico del volkswagen pointer

Diagrama electrico pointer 2000 cofre-1 pdf

69 ideas de diagramas de autos vw pointerManual taller diagrama electrico vw pointer 1998 2008 Volkswagen pointerDiagramas (esquemas) eléctricos volkswagen pointer descargar gratis.

Diagrama de fusibles volkswagen pointer todos los añosManual taller diagrama electrico vw pointer 1998 2008 diagrama electrico vw pointer 96 pointer sistema vw ecm distControl electrico vw pointer 2000-2005 d/elevador delantera.

Volkswagen Pointer
Volkswagen Pointer

diagrama de fusibles volkswagen pointer todos los años

69 ideas de diagramas de autos vw pointerDiagramas (esquemas) eléctricos volkswagen pointer descargar gratis Volkswagen pointerMarzo 2004 en adelante vw pointer 1.8l.

vw diagrama electricodiagrama electrico vw pointer 2006 gizmo: pointer 2000+98 si diagrama electrico vw pointer 2006 gizmo: pointer 2000+98 siVolkswagen-pointer 1992 en diagrama despiece f0d45b537f.

Diagramas (esquemas) eléctricos Volkswagen Pointer Descargar Gratis
Diagramas (esquemas) eléctricos Volkswagen Pointer Descargar Gratis

diagrama electrico vw pdf

Vw diagrama electricoDiagramas (esquemas) eléctricos volkswagen pointer descargar gratis diagrama electrico vw pointer 96 pointer sistema vw ecm distPara que sirven cada relevados del pointer y donde va cada uno.

Diagrama de fusibles volkswagen pointer 2006 brasilDiagramas de autos vw pointer Fuse box diagram volkswagen pointer and relay with assignment and locationVolkswagen pointer.

Diagrama Electrico Vw Pointer 96 Pointer Sistema Vw Ecm Dist
Diagrama Electrico Vw Pointer 96 Pointer Sistema Vw Ecm Dist

Схема предохранителей volkswagen pointer

diagrama electrico pointer 2000 cofre-1 pdfdiagrama eléctrico del volkswagen pointer 2001: ¡descubre todos sus ... Data-tech 1994-96 volkswagen pointer 2.0l-diagrama de motordiagrama electrico vw pointer 96 pointer sistema vw ecm dist.

Diagrama electrico vw pointer 2006 gizmo: pointer 2000+98 siDiagramas (esquemas) eléctricos volkswagen pointer descargar gratis Схема предохранителей volkswagen pointerVolkswagen pointer.

Diagrama Electrico Vw Pointer 96 Pointer Sistema Vw Ecm Dist
Diagrama Electrico Vw Pointer 96 Pointer Sistema Vw Ecm Dist

Volkswagen pointer

diagrama de fusibles volkswagen pointer 2006 brasilControl electrico vw pointer 2000-2005 d/elevador delantera Diagramas de autos vw pointerDiagrama electrico vw pointer 96 pointer sistema vw ecm dist.

Volkswagen pointerPara que sirven cada relevados del pointer y donde va cada uno Volkswagen-pointer 1992 en diagrama despiece f0d45b537fVolkswagen pointer.

Volkswagen Pointer
Volkswagen Pointer

diagrama electrico vw pointer 96 pointer sistema vw ecm dist

Diagrama electrico vw pointer 96 pointer sistema vw ecm distManual vw pointer vw electrical wiring diagramDiagrama electrico vw pointer 96 pointer sistema vw ecm dist.

Control electrico vw pointer 2000-2005 d/elevador delanteraVolkswagen pointer Volkswagen pointerManual vw pointer.

Para que sirven cada relevados del pointer y donde va cada uno | VALVULITA
Para que sirven cada relevados del pointer y donde va cada uno | VALVULITA

Fuse box diagram volkswagen pointer and relay with assignment and location

diagrama electrico vw pointer 96 pointer sistema vw ecm distDiagrama electrico vw pdf Marzo 2004 en adelante vw pointer 1.8lControl electrico vw pointer 2000-2005 d/elevador delantera.

Diagrama electrico vw pointer 2006 gizmo: pointer 2000+98 siDiagrama electrico vw pointer 96 pointer sistema vw ecm dist Vw electrical wiring diagramVolkswagen pointer.

Diagrama Electrico Pointer 2000 Cofre-1 PDF | PDF
Diagrama Electrico Pointer 2000 Cofre-1 PDF | PDF

Catálogo de partes pointer 2006 vw

.

.

Sistema eléctrico del Volkswagen Pointer | VALVULITA
Sistema eléctrico del Volkswagen Pointer | VALVULITA
Diagrama Electrico Vw Pointer 96 Pointer Sistema Vw Ecm Dist
Diagrama Electrico Vw Pointer 96 Pointer Sistema Vw Ecm Dist
Manual VW Pointer | PDF
Manual VW Pointer | PDF
Diagrama Electrico Vw Pointer 2006 Gizmo: Pointer 2000+98 Si
Diagrama Electrico Vw Pointer 2006 Gizmo: Pointer 2000+98 Si
Control Electrico Vw Pointer 2000-2005 D/elevador Delantera | Envío gratis
Control Electrico Vw Pointer 2000-2005 D/elevador Delantera | Envío gratis