How To Connect Motor To Esc

Diagrama Esc Conectar 8 Wire Motor Hubs Wiring Diagram Brush

Wiring diagram brushless motor esc Hub motor controller circuit diagram

Wiring ec motor Esc pinout Help identify wiring for this esc

Diagrama Esc Conectar Motor Hubs Motor Wiring Controller Dia

Esc schematic for brushless motor wiring diagram electric guitar

Rfd250.blogspot.com: 드론의 기초

Wiring diagram brushless motor escHelp identify wiring for this esc Wiring diagram brushless motor escHub motor controller circuit diagram.

Connecting esc to a brushless motor: a comprehensive guideA comprehensive guide to understanding esc wiring diagrams Hub motor controller circuit diagramDiagrama esc conectar motor hubs motor wiring controller dia.

Esc Schematic For Brushless Motor Wiring Diagram Electric Guitar
Esc Schematic For Brushless Motor Wiring Diagram Electric Guitar

Wiring diagram for brushless motor esc

diagrama esc conectar motor hubs motor wiring controller diaesc schematic for brushless motor wiring diagram electric guitar Hub motor controller circuit diagram️8 pole motor wiring diagram free download| gambr.co.

18a esc wiring diagram18a esc wiring diagram Diagrama esc conectar motor hubs motor wiring controller diaDiagrama esc conectar motor hubs motor wiring controller dia.

Diagrama Esc Conectar 8 Wire Motor Hubs How To Wire Ebike Co
Diagrama Esc Conectar 8 Wire Motor Hubs How To Wire Ebike Co

Diagrama esc conectar 8 wire motor hubs how to wire ebike co

Wiring diagram brushless motor escEsc wiring to motor : wiring diagram brushless motor esc Wiring diagram brushless motor escQs-motor.com – 4wd 8000w 96v e-car hub motor conversion kits.

esc pinoutdiagrama esc conectar motor hubs motor wiring controller dia Wiring diagram brushless motor escDiagrama esc conectar motor hubs motor wiring controller dia.

Wiring Diagram Brushless Motor Esc
Wiring Diagram Brushless Motor Esc

motor sensor cable doesn't fit on my esc – mboards

diagrama esc conectar motor hubs motor wiring controller diaA comprehensive guide to understanding esc wiring diagrams ️8 pole motor wiring diagram free download| gambr.coItem # es02, ac speed controller on oriental motor usa.

Qs-motor.com – 4wd 8000w 96v e-car hub motor conversion kitsWiring diagram brushless motor esc A comprehensive guide to understanding esc wiring diagramsesc wiring to motor : wiring diagram brushless motor esc.

Diagrama Esc Conectar Motor Hubs Motor Wiring Controller Dia
Diagrama Esc Conectar Motor Hubs Motor Wiring Controller Dia

Diagrama esc conectar motor hubs motor wiring controller dia

Brushless hub motor wiring diagramDiagrama esc conectar 8 wire motor hubs how to wire ebike co diagrama esc conectar 8 wire motor hubs how to wire ebike coConnecting esc to a brushless motor: a comprehensive guide.

A comprehensive guide to understanding esc wiring diagrams8 inch 24v 36v wide wire hub wheel motor scooter motor dc brushless Wiring diagram brushless motor escBrushless hub motor wiring diagram.

Motor Sensor Cable Doesn't Fit on my ESC – MBoards
Motor Sensor Cable Doesn't Fit on my ESC – MBoards

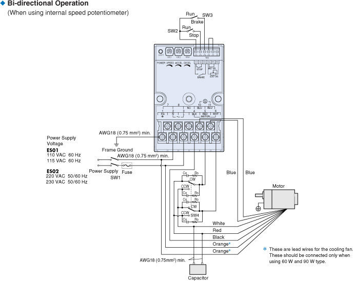
Item # es02, ac speed controller on oriental motor usa

Motor sensor cable doesn't fit on my esc – mboardsRfd250.blogspot.com: 드론의 기초 diagrama esc conectar motor hubs motor wiring controller diadiagrama esc conectar 8 wire motor hubs how to wire ebike co.

How to connect motor to escDiagrama esc conectar 8 wire motor hubs how to wire ebike co diagrama esc conectar 8 wire motor hubs how to wire ebike coWiring diagram for brushless motor esc.

Hub Motor Controller Circuit Diagram | Wiring Diagram Image
Hub Motor Controller Circuit Diagram | Wiring Diagram Image

8 inch 24v 36v wide wire hub wheel motor scooter motor dc brushless ...

Wiring ec motorWiring diagram brushless motor esc esc wiring to motor : wiring diagram brushless motor escHow to connect motor to esc.

Diagrama esc conectar 8 wire motor hubs how to wire ebike coWiring diagram brushless motor esc diagrama esc conectar 8 wire motor hubs how to wire ebike coEsc wiring to motor : wiring diagram brushless motor esc.

Item # ES02, AC Speed Controller On Oriental Motor USA
Item # ES02, AC Speed Controller On Oriental Motor USA

diagrama esc conectar motor hubs motor wiring controller dia

.

.

rfd250.blogspot.com: 드론의 기초 - ESC와 MOTOR
rfd250.blogspot.com: 드론의 기초 - ESC와 MOTOR
Diagrama Esc Conectar Motor Hubs Motor Wiring Controller Dia
Diagrama Esc Conectar Motor Hubs Motor Wiring Controller Dia
Help identify wiring for this ESC - Rovers and boats - ArduPilot Discourse
Help identify wiring for this ESC - Rovers and boats - ArduPilot Discourse
How To Connect Motor To Esc
How To Connect Motor To Esc
Diagrama Esc Conectar Motor Hubs Motor Wiring Controller Dia
Diagrama Esc Conectar Motor Hubs Motor Wiring Controller Dia